Location:Home » Product Center » Customized IC socket/fixture » QFN48-0.4-6x6 customized MCU test socket
Products
- > Customized IC socket/fixture
- > eMMC UFS test socket
- > ANDK-program and burn in socket
- > Crystal oscillator socket
- > DDR test solution
- > SSD test solution
- > FPC/FFC test solution
- > High frequency test socket
- > Auto test machine
- > Capacity burn in test socket
- > Pin Board
- > SSD and U disk flash test solution
Contact Us
- sales@andksocket.com
- +8618824309157
- GLUS, Liaokeng Road 05-1, Shiyan Street, Baoan District, Shenzhen, China
HOTLINE:+8618824309157
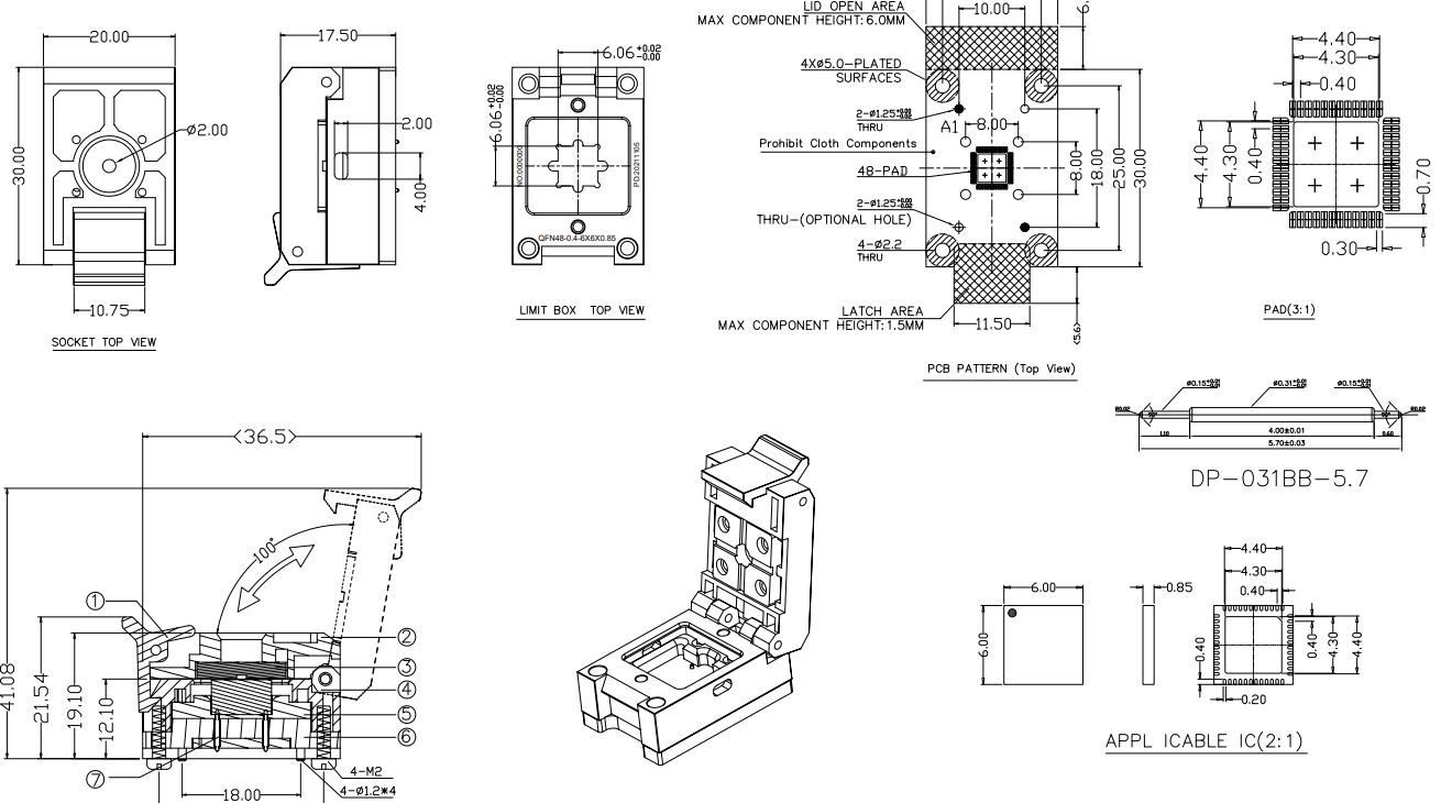
QFN48-0.4-6x6 customized MCU test socket
QFN48-0.4-6x6 customized MCU test socket
SPECIFICATION AND DIMENSION
| Type | QFN48-0.4-6x6 customized MCU test socket |
| Package | QFN |
| Pin Pitch | 0.4 mm |
| Pin Count | 48 pins |
| Applicable IC body size | Special |
| Product description | customized socket |
PRODUCT IMAGE
Enquiry:QFN48-0.4-6x6 customized MCU test socket
- *Name:
- Tel:
- Company:
- *Email:
- Requirement:
-
*code:















