Location:Home » Product Center » ANDK-program and burn in socket » QFP socket » QFP64 TQFP64 LQFP64 Burn in Socket
Products
- > Customized IC socket/fixture
- > eMMC UFS test socket
- > ANDK-program and burn in socket
- > Crystal oscillator socket
- > DDR test solution
- > SSD test solution
- > FPC/FFC test solution
- > High frequency test socket
- > Auto test machine
- > Capacity burn in test socket
- > Pin Board
- > SSD and U disk flash test solution
Contact Us
- sales@andksocket.com
- +8618824309157
- GLUS, Liaokeng Road 05-1, Shiyan Street, Baoan District, Shenzhen, China
HOTLINE:+8618824309157
QFP64 TQFP64 LQFP64 Burn in Socket
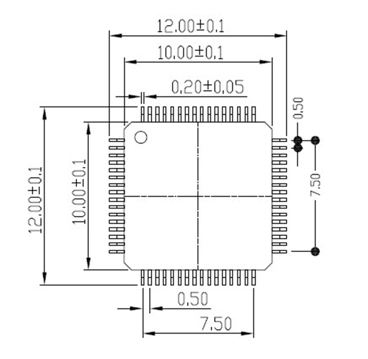
QFP64 TQFP64 LQFP64 Burn in Socket Pin Pitch 0.5mm IC Body Size 10x10mm FPQ-64-0.5-06 Flash Test Socket Adapter
Product Feature:
-
* 100% brand new , high Quality and duarable -
* Tested before shipping -
* Easy to use -
* Technical support and datasheet are available if you need . -
* Professional manufacturer in all kinds of IC chip testing sockets and adapters. -
* More types of sockets and adapters for eMMC , eMCP , SOP , SSOP , TSSOP , QFP , QFN , BGA , SOT , MSOP , DFN and customize design , for customized socket and more product detail , please feel free to contact us .
Specification and Dimension :
-
* Type : Test & Burn in Socket ( with pcb ) -
*Package :QFP64 , TQFP64 , LQFP64 -
* Pin Pitch : 0.5 mm -
* Pin Count : 64 pins -
* Applicable IC body size : 10x10 mm -
* IC tip-to-tip : 12x12 mm
Specification and Dimension
| Package: | QFP 64 , TQFP 64 , LQFP 64 |
| Pin Count: | 64 pins |
| Pin Pitch: | 0.5 mm |
| Applicable IC body size: | 10x10 mm |
| Product description: |
* 100% brand new , high Quality and duarable * Tested before shipping * Easy to use * Technical support and datasheet are available if you need . * we are the original manufacturer and welcome anyone to be our distribution agents * Professional manufacturer in all kinds of IC chip testing sockets and adapters. |
We're the original manufacturer , we have the lowest competitive prices , the shortest processing time guaranteed . If you want batch purchase , please contact us , we can give you a discount .
Product image
Enquiry:QFP64 TQFP64 LQFP64 Burn in Socket
- *Name:
- Tel:
- Company:
- *Email:
- Requirement:
-
*code:



















